- 
									
 - 
									
- 
											Tổng tiền thanh toán:
 
 - 
											
 
							
							
							
						Tụ bù là gì? Tại sao phải lắp đặt tủ tụ bù?
13/01/2024 Đăng bởi: Nguyễn Duy MinhTụ bù là gì?
Tụ bù là một thiết bị quan trọng trong hệ thống điện, có tác dụng tích và phóng điện trong mạch điện. Nó được sử dụng để bù công suất phản kháng và nâng cao hệ số công suất cosφ (cos phi) trong mạch điện. Điều này giúp đảm bảo hiệu quả hoạt động của lưới điện và tránh bị phạt tiền theo quy định của ngành Điện lực.

Tại sao phải lắp đặt tủ tụ bù?
Trong hệ thống điện, việc lắp đặt tủ tụ bù là rất quan trọng và cần thiết. Điều này giúp cải thiện hệ số công suất cosφ (cos phi) và giảm thiểu tổn thất điện năng trong mạch điện. Nếu không có tủ tụ bù, hệ số công suất cosφ (cos phi) sẽ thấp và dẫn đến việc phải trả tiền phạt theo quy định của ngành Điện lực.
Việc lắp đặt tủ tụ bù cũng giúp tăng hiệu suất hoạt động của các thiết bị điện khác trong hệ thống, giảm thiểu sự cố và đảm bảo an toàn cho hệ thống điện. Vì vậy, việc lắp đặt tủ tụ bù là rất cần thiết và được khuyến khích trong các cơ sở sản xuất và công trình xây dựng.
Cấu tạo tụ bù
Tụ bù gồm hai vật dẫn đặt gần nhau và ngăn cách nhau bằng một lớp cách điện (điện môi). Cấu tạo này giúp tạo ra một khoảng không gian giữa hai vật dẫn, gọi là khoảng không gian tụ điện. Khi có điện tích được tích lũy ở hai bản của tụ bù, nó sẽ tạo ra một điện trường giữa hai bản và khiến tụ bù có khả năng tích và phóng điện.

Tụ bù thường được làm từ các vật liệu như giấy, nhôm hoặc nhựa. Vật liệu này có đặc tính cách điện tốt và có khả năng chịu được điện áp cao. Cấu tạo của tụ bù cũng có thể được thay đổi để phù hợp với mục đích sử dụng và yêu cầu kỹ thuật.
Nguyên lý hoạt động của tụ bù
Nguyên lý hoạt động của tụ bù dựa trên nguyên lý của điện tích và điện trường. Khi có điện tích được tích lũy ở hai bản của tụ bù, nó sẽ tạo ra một điện trường giữa hai bản và khiến tụ bù có khả năng tích và phóng điện. Điện trường này cũng tác động lên các thiết bị điện khác trong mạch điện và giúp cải thiện hệ số công suất cosφ (cos phi).
Điện dung của tụ bù là đại lượng đặc trưng cho khả năng tích điện của nó ở một hiệu điện thế nhất định. Nó được xác định bằng thương số giữa điện tích của tụ bù và hiệu điện thế giữa hai bản của nó (C=Q/U). Điện dung càng lớn thì tụ bù càng có khả năng tích điện tốt và giúp cải thiện hệ số công suất cosφ (cos phi) trong mạch điện.

Phân loại tụ bù
Tụ bù có thể được phân loại theo nhiều tiêu chí khác nhau. Dưới đây là hai tiêu chí phổ biến để phân loại tụ bù.
1. Phân loại theo cấu tạo
Theo cấu tạo, tụ bù có thể được chia thành hai loại chính: tụ trung thế và tụ bù hạ thế.
1.1. Tụ trung thế
Tụ trung thế là loại tụ bù có cấu tạo gồm hai bản dẫn song song với nhau và được ngăn cách bởi một lớp cách điện. Điện tích được tích lũy ở hai bản này sẽ tạo ra một điện trường giữa chúng và khiến tụ bù có khả năng tích và phóng điện.
Tụ trung thế thường được sử dụng trong các mạch điện có điện áp trung bình và cao, ví dụ như trong các nhà máy sản xuất, trạm biến áp hay các tòa nhà cao tầng.
1.2. Tụ bù hạ thế
Tụ bù hạ thế là loại tụ bù có cấu tạo gồm một bản dẫn và một bản chân không. Điện tích được tích lũy ở bản dẫn sẽ tạo ra một điện trường giữa bản dẫn và bản chân không, khiến tụ bù có khả năng tích và phóng điện.
Tụ bù hạ thế thường được sử dụng trong các mạch điện có điện áp thấp, ví dụ như trong các thiết bị gia dụng, đèn chiếu sáng hay các máy móc công nghiệp.
2. Phân theo điện áp
Theo điện áp, tụ bù có thể được chia thành hai loại chính: tụ bù thấp áp và tụ bù cao áp.
Tụ bù thấp áp có thể hoạt động ở điện áp thấp hơn 1000V, thường được sử dụng trong các thiết bị gia dụng và đèn chiếu sáng. Trong khi đó, tụ bù cao áp có thể hoạt động ở điện áp trên 1000V và thường được sử dụng trong các nhà máy sản xuất và trạm biến áp.
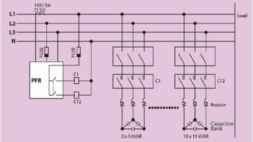
Cách lắp đặt tủ điện tụ bù giúp tiết kiệm điện năng
Việc lắp đặt tủ điện tụ bù có thể giúp tiết kiệm điện năng và cải thiện hệ số công suất cosφ (cos phi) trong mạch điện. Tuy nhiên, cách lắp đặt tủ điện tụ bù sẽ khác nhau tùy thuộc vào kích thước và mục đích sử dụng của cơ sở sản xuất.
1. Cách lắp đặt ở cơ sở sản xuất nhỏ
Ở các cơ sở sản xuất nhỏ, việc lắp đặt tủ điện tụ bù có thể được thực hiện trực tiếp trên các thiết bị điện như máy móc hay đèn chiếu sáng. Tuy nhiên, cần chú ý lựa chọn loại tụ bù phù hợp với điện áp và công suất của thiết bị để đảm bảo an toàn và hiệu quả hoạt động.
2. Cách lắp đặt ở cơ sở sản xuất vừa
Ở các cơ sở sản xuất vừa, việc lắp đặt tủ điện tụ bù có thể được thực hiện trên các thiết bị điện chính trong hệ thống, ví dụ như máy nén khí, máy bơm hay các động cơ điện. Việc lắp đặt tủ điện tụ bù ở các thiết bị này sẽ giúp cải thiện hệ số công suất cosφ (cos phi) và tiết kiệm điện năng.
3. Cách lắp đặt ở cơ sở sản xuất lớn
Ở các cơ sở sản xuất lớn, việc lắp đặt tủ điện tụ bù có thể được thực hiện trên toàn bộ hệ thống điện của nhà máy hoặc xưởng sản xuất. Điều này sẽ giúp cải thiện hệ số công suất cosφ (cos phi) và tiết kiệm điện năng trên toàn bộ hệ thống, đồng thời giảm thiểu tổn thất điện năng và đảm bảo an toàn cho hệ thống điện.
Lưu ý khi lựa chọn tụ bù
Khi lựa chọn tụ bù, cần chú ý đến các yếu tố sau để đảm bảo hiệu quả và an toàn trong vận hành:
- Điện áp hoạt động: Tụ bù phải có điện áp hoạt động phù hợp với mạch điện và thiết bị sử dụng.
 - Công suất: Tụ bù phải có công suất phù hợp với thiết bị sử dụng để đảm bảo an toàn và hiệu quả hoạt động.
 - Điện dung: Điện dung của tụ bù cần phù hợp với yêu cầu kỹ thuật và mục đích sử dụng.
 - Nhiệt độ hoạt động: Tụ bù phải có khả năng chịu được nhiệt độ hoạt động trong môi trường làm việc.
 - Tuổi thọ: Chọn tụ bù có tuổi thọ cao để giảm tần suất thay thế và tiết kiệm chi phí.
 
Kết luận
Tụ bù là một thiết bị quan trọng trong hệ thống điện, có tác dụng tích và phóng điện trong mạch điện. Việc lắp đặt tủ điện tụ bù phù hợp và chính xác có thể giúp tiết kiệm điện năng, cải thiện hệ số công suất cosφ (cos phi) và đảm bảo an toàn cho hệ thống điện. Khi lựa chọn tụ bù, cần chú ý đến các yếu tố như điện áp hoạt động, công suất, điện dung, nhiệt độ hoạt động và tuổi thọ để đảm bảo hiệu quả và an toàn trong vận hành.